1、ZJD系列自洁式过滤器电气控制由四部分组成;
1.差压取样部分由D520/7DD型切换压差可调的差压控制器实现。差压设定范围为0.02-0.16MPa;
2.自动反洗部分由NRV型减速机组成。本减速机采用优质铝合金压铸箱体,重量轻、散热性能优良、承载能力大;
3.排污部分由电动球阀组成,整机系统由一台自动控制箱控制,以达到手动、自动清洗、排污的目的;
4.控制箱部分引入电源为三相四线制(380V 50HZ),驱动电机功率0.15-3kW,控制箱箱体采用防水全透屏、智能型结构,进出控制箱的接头均为防水接头。接线如电气原理图一(适用于刷式、吸吮扫描式、导流式)电气原理图二(适用于反冲洗)
.png)
2、几点说明
1.电控装置调试步骤详见产品使用说明书;
2.差压控制器设定值的调整按产品使用说明书设定调节;
3.清洗时间为1-24小时可调,使用中可根据实际工作情况设定清洗时间;
4.排污阀门限位开关出厂已调好,一般无须调整,如果使用中不到位置,可按说明书另行调整。
3、控制箱外形尺寸
.png)
产品安装与使用指南
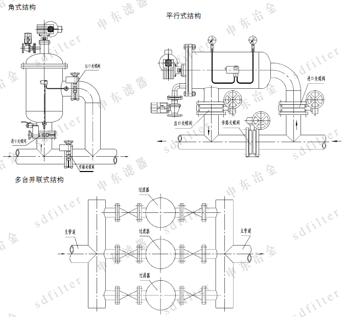
为了维修方便,ZJD系列自洁式过滤器安装时应在进出口设阀门,并做旁通管路;为了防止过大的杂物进入过滤器,建议在过滤器的入口端安装固定过滤网。
另外,安装时应注意外壳上的箭头方向与水流方向一致。
下图为过滤器的几种安装形式,供用户安装时参考。
.png)
.png)
配备专用开启机构的过滤器,无需外部起吊装置,即可拆卸顶
.png)
订货须知
1、用户订货时请正确提供产品名称、规格型号、最高工作压力、工作温度、过滤精度、材质、连接法兰标准;
2、电机是否需防爆、是否户外工作;
3、特殊要求另行说明;
4、过滤精度的选择
一般来讲,过滤器的过滤精度选择高一些,截污量就大一些,而实际上对过滤器来讲并非过滤精度越高越好,通常只要满足工艺要求即可,特别是当水中含油时精度越高越容易糊网。因此,选择过滤精度时必须综合考虑,以下参数供选择Johnson滤网精度时参考:
(1) ZJDLⅢ型反冲洗式自洁式过滤器、ZJDP型导流式自洁式过滤器的Johnson滤网的V型断面必须尖端朝外,选用过滤精度为0.2-0.30mm时允许浊液含油量≤10mg/L; 选用过滤精度为0.10-0.20mm时允许浊液含油量≤5mg/L;
(2) ZJD系列刷式、ZJD系列吸吮扫描式自洁式过滤器允许浊液中含油量比上列参数再提高50%。
5.前置粗过滤器
由于管道施工及管理上的不完善,在实际操作中常发现管道系统中进入那些未被清除的大杂物,如钢板边角料头、焊条头、木块、砖、石块以及破布等直接进入过滤器,导致过滤器不能正常工作。为此,用户可在过滤器的入口设置粗过滤器,以滤去管路中的大杂质,保护过滤器的正常运行。(我厂生产的F B系列管道过滤器即可作为前置粗过滤器)
供货范围
1、过滤器主机
2、电动排污阀
3、手动排污阀
4、电控箱
5、配对法兰及前置粗过滤器根据用户要求提供 |