- 您当前的位置:南通申东冶金机械有限公司 >> 混合设备 >> SDJ-T型同步带旁入式搅拌机
- 公司介绍
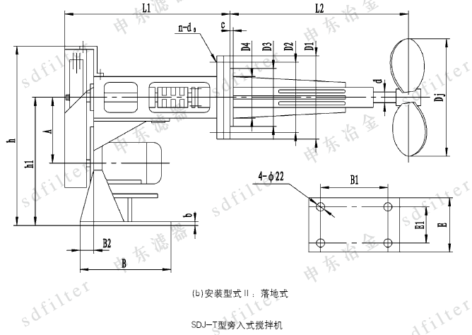
| SDJ-T型同步带旁入式搅拌机 加入时间:2016-3-9 09:49:38 点击:次 |
本公司设计的旁入式(侧式)搅拌机由于使用同步齿形带动,使中心距大为缩小,外形较为紧凑,传动效率高,传动比准确、平稳、噪声小、无滑差、又节能。轴封采用补偿式机械密封,特殊的轴联接设计,在不拆 |
| 上一页:SDJ-L系列顶装式搅拌机 下一页:SDJ-GA、GB型螺旋圆锥齿轮侧入式搅拌机 |


.png)
.png)

