欢迎来南通申东冶金机械有限公司官网! |加入收藏|设为首页
全国服务热线0513-83858103
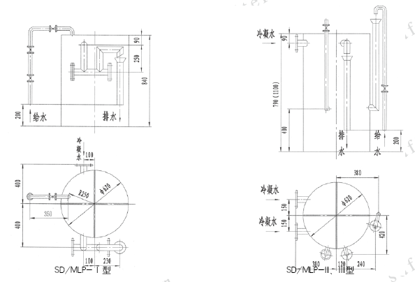
SD/MLP型系列离心式鼓风机排水器

加入时间:2016-3-8 09:18:09  点击:

一、产品简介
1.MLP型排水器为四室排水器,适用于离心式煤气鼓风机本体及进出口管排水。
2.该排水器必须采用压力给水,给水量为2-3t/h.
3.排水器上设有蒸汽或氮气吹扫头,为防止煤气窜入蒸汽管内,只有在通蒸汽或氮气时,才能把蒸汽或氮气管道连通。停用时必须断开或堵盲板。
4.排水器冷凝水应集中处理。
5.设在露天的排水器在寒冷地区要采取防冻措施,设在室内的应有良好的自然通风。

二、规格及尺寸

三、产品外形图

上一页:S2D□型双管式煤气管道冷凝水排水器
下一页:PW型煤气管道水封器
南通申东冶金机械有限公司 南通申东滤器制造有限公司 地址:江苏省启东市民主工业区118号
总机: 0513-83358129 销售热线: 0513-83117130 服务热线: 0513-83858103 传真: 0513-83358113
E-mail: webmaster@sd-filter.com 邮编: 226223