欢迎来南通申东冶金机械有限公司官网!
|
加入收藏
|
设为首页
全国服务热线
0513-83858103
网站首页
关于我们
新闻中心
产品展示
成功案例
企业资质
联系我们
0
产品中心
PRODUCTS
混合设备
过滤设备
消声设备
燃气设备
水处理设备
烟气净化设备
轧钢专用过滤设备
您当前的位置:
南通申东冶金机械有限公司
>>
水处理设备
>>
纯水设备
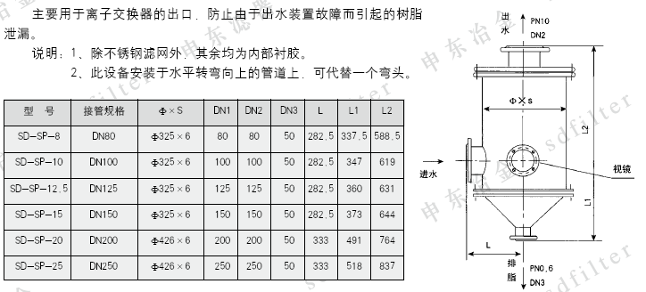
>> 树脂捕捉器
公司介绍
树脂捕捉器
加入时间:
2016-3-21 15:34:53
点击:
次
上一页:
酸碱喷射器
下一页:
酸雾吸收器
南通申东冶金机械有限公司 南通申东滤器制造有限公司
地址:江苏省启东市民主工业区118号
总机: 0513-83358129 销售热线: 0513-83117130 服务热线: 0513-83858103 传真: 0513-83358113
E-mail: webmaster@sd-filter.com 邮编: 226223