一、概 述
ZGR型组合式锅炉软化水装置是专门为中小型锅炉配套而设计的组合式装置,是根据北京地区和北方地区原水水质硬度大的特点而专项设计的。
ZGR型组合式锅炉软化水装置采用两只单级钠离子交换柱,共用一套再生装置,两只单级钠离子交换柱可以单柱交替运行,亦可双柱并联运行,无论单柱交替或双柱并联运行,均能保证额定产水量(再行期间也不影响总产水量)。
再生装置中设置食盐溶解箱盐液泵,为了提高再生效率,防止树脂中毒,一般采用精制盐进行再生。
ZGR型组合式软化水装置有I型、II型、III型、IV型、VIII型、X型,每小时出水量分别为1-2吨、2-4吨、3-6吨、4-8吨、10-20吨、15-30吨、(单柱运行出水量及双柱运行出水量)。在进水总硬度不超过500mg/L(CaCO3计)条件下运行,出水残留硬度可保证达到0.15mg/L(CaCO3计)。
二、工作原理
1、硬水通过本装置的交换柱(内装732阳树脂、钠型)当水通过交换柱时,水中的钙镁离子被钠型树脂吸收,而钠型树脂中的钠离子(Na+)被置换到水中,从而除去了水中的钙 离子(Ca++)、镁离子(Mg++)、即成为软水。
钠离子交换的化学反应离子方程式如下:

上述离子反应方程式,对于碳酸盐或非碳酸盐硬度均适用,树脂经过交换后由Na+型转化为Ca2+、Mg2+型。
2、钠离子阳树脂的再生处理:
当交换柱的出水硬度超过1.5mg/L时,表明交换柱内树脂已失效,应用食盐溶液进行再生(复苏)。
交换树脂再生过程的离子反应式为:

树脂经再生后,从Ca2+、Mg2+型转化成Na+型恢复交换能力,可以继续进行软化水处理。
三、特 点
1、整体性强。交换器、再生装置(包括溶盐箱、盐液箱、盐液泵)、管道、阀门、仪表等全部组装成一整体,使用单位只需接上进出水管道和电源就能迅速投入运行,大大减少设计、施工、安装的工作量。
2、操作管理科学化。本装置溶盐器和溶盐箱有效容积均按一次再生容量设计,不用磅秤和比重计就能准确配制合适浓度的一次再生用盐液量,可避免操作不慎而造成的滥用盐。同时,本装置设有转子流量计,运行和再生均很容易按设计要求进行控制,以保证软化和再生效果。
3、操作简单。控制阀门采用隔膜阀及球阀,各种阀门仪表大部分集中在操作屏上,操作术为方便、灵巧。
4、本装置设备管道、阀门全部采用硬聚氯乙烯材料,耐腐蚀,使用寿命长,交换柱采用钢防腐,耐压强度高。
5、与其它类型相同规格的软化水装置综合比较,价格便宜。
6、与其它类型相同规格的软化水装置比较,具有占地面积小,基建投资少,安装迅速等特点。
7、再生耗盐量小,单位耗盐量90g/g-N。
主要技术参数
再生装置溶盐箱中出液口设有盐液过滤器,用以净化盐溶液,提高再生效果。
主要技术数据表
.png)
五、外形尺寸
各种不同规格的外形尺寸如表

六、设备安装
1、装置后面应距墙0.7~1.0米,以便检修。
2、要求进水一般为自来水,其进水压力最低要求0.8~1.0MPa,如进水压力不能满足运行要求,应采取加压措施。
3、103泵电动机接三相电源,电动机转动方向与水泵运转方向必须一致。安装时软水箱内不能设置浮球阀,防止封闭压力损坏设备。
4、本装置必须放置在室内,以防冻、防晒,移动和搬运必须防止撞击和震动。设备安装后应首先进行空载试运转,各部位应正常,并无渗漏现象。
5、该装置应配软水箱一只,其容积应根据不同型号和锅炉进水情况而定,以满足锅炉进水量的要求。
6、本装置与自来水箱道采用铁塑法兰连接。
7、IV-X型安装时先将盐箱放于支架上,左右两边放好交换柱,将内部管道连接好即可。
七、正常运行及再生操作
正常运行:
本装置两只钠离子交换柱都是采用顺流运行,逆流再生的工艺流程(见附图)单柱运行时先开启自来水进水阀、上部进水阀、出软水阀,硬水通过树脂层即成软水进入软水箱。并逐渐调整流量,此时流量应控制在设备额定的出水流量内(详见技术参数表),随时注意压力表读数,一般进水压力有0.1M P a就能正常运行,如双柱并联运行应同时开启两柱上述阀进行操作。
再生操作:
当交换柱内树脂饱和,失去交换能力,也就是当化验的出水水质大于1.5m g/L时就应停止运行,对树脂进行再生。
1、再生准备工作:打开交换柱下排阀、上排阀,使柱内水排至树脂层上面5cm-10cm处。关下排阀。
2、进食盐溶液:启动盐泵,打开下进阀,进盐液阀、放盐液阀(注意保持溶盐箱液位),流量应严格控制,防止树脂窜动乱层(不同型号的流量见技术参数表),进盐时间应掌握在45~60分钟左右,进完盐液以后也可以浸泡一下,关进盐阀、盐泵、放盐液阀。
3、清洗:开自来水进水阀,以小流量水把树脂层间的残留盐液顶至上排管排除,此程序时间为15~25分钟,清洗流量与进盐液流量相同,关下进阀。
4、正洗:用原水(硬水)从交换柱上部进水阀进入,从下部排水阀排除,开上进、下排、关上排阀,流量与正常运行相同,大约15分钟左右,当排出水水质达到≤1.5m g/L时即关闭进自来水阀、上进阀、下排阀、开上排阀、交换柱再生结束,即可投入正常运行。
反冲洗:
交换柱的反冲洗,当交换栏正常运行10~20周期以后,在进行再生前进行一次反冲洗,目的是清洗树脂间和树脂颗粒表面的机械杂物,使树脂层松散,其操作过程为打开进自来水阀、上排阀、下进阀、使自来水从下部进水阀进入,从上部排水阀排出,控制进水流量,使整个树脂层充分膨胀,树脂层膨胀后的层面高度应接近交换柱上部(注意不能太长,防止树脂流失)当进水浊度与排水浊度基本相同时,即可结束反洗,进行再生操作(经反洗、再生后的运行周期产水量稍有下降)。
八、食盐溶液配制
参照规定盐耗用量,把精制食盐加入溶盐箱内,打开溶盐阀,至溶阀箱内水位将满时开进盐液箱阀、盐液泵,至盐液箱溢流排出水进关溶盐阀,开放盐液阀(注意保持溶盐箱内液位平衡),至溶盐箱内食盐全部溶解后,再循环5分钟,关盐液泵,放盐液阀,进盐液箱阀。
九、注意事项及其它
1、设备停止运行时应先关闭自来水阀。
2、本装置整个运行中工作压力不得超过0.3MPa,万一由于误操作超过0.3MPa时,应立即打开上排阀,检查阀门启闭状况是否符合操作要求。
3、再生是否彻底,操作是否正确,直接影响交换柱的出水水质,因此再生操作必须认真负责,再生进盐液逆流清洗时流量要严格控制,应确保交换柱内树脂不乱层。
4、当设备较长时间(半月以上)停止运行时,柱内树脂应用的10%的食盐溶液浸泡保养。
5、交换柱内树脂一般每年损耗率10~15%,每年柱内应添加原树脂体积10~15%,也就是保持柱内树脂应有的高度。
6、每次初开车时应将柱内气体全部排出,再进行正常运行操作。
7、设备在软化过程中,值班人员应随时检查设备的运行情况,并按负荷要求调整水量,注意观察各种仪表的指示是否正常,还应按规定时间化验水质,并作好运行记录,掌握好运行终点及再生操作程序。
8、软水箱若用钢板制时,内壁必须严格采取防腐措施(如内涂聚氯乙烯漆防腐)防止软化再次受污染。
9、出水硬度的定性检测:取软化出水100毫升,加入5毫升氨-氯化铵缓冲液和2滴0.5%铬黑T指标剂,摇动后呈蓝色为合格,呈红色为不合格。
10、水中氯化物的定性检测:取水50亳升,加入1:1硝酸溶液5滴、1%硝酸银溶液5滴摇匀,看其混浊情况,进行对比。
11、氨一氨化铵缓冲溶液:取20毫升氯化铵溶于500毫升除盐水中,加入150毫升浓氨(比重0.90),用除盐水稀释至1000毫升。
12、0.5%铬黑T指示剂:称取0.5克铬黑T与4.5盐酸羟铵在研体中磨匀,混合后溶于100毫升9%的乙酵中,放入棕色瓶中。
13、树脂的加入:打开交换柱上部装树脂口封板,将软管一端放入装树脂口。另一端与盐泵相连(将原盐泵管道拆下移开)。将盐箱内多孔板取出,打开溶盐阀向溶盐箱内放水,打开交换柱上排、下排阀,开启盐泵,把树脂慢慢加入溶盐箱内,并用木棒搅拌,使树脂和水混合被泵抽入交换柱(注意不能脱水),树脂加入后将原拆开管道重新装好,封上封板,然后再进行清洗至排出水无色。
14、盐泵为耐腐蚀塑料泵,应防止脱水运转。
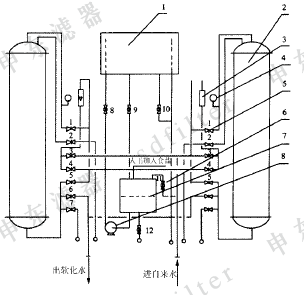
十、工艺说明
运行:原水由3#阀控制流量,经流量计至1#阀进入交换柱内,由6#阀出水至软水箱。
再生:盐液箱的盐液由9#阀至盐溶箱,经盐泵提升至4#阀控制流量至5#阀进入交换柱内,再由2#阀排出。
盐液配制:溶盐箱内加入精制食盐,打开11#阀至溶盐箱内水位将满时,开8#阀盐泵,至盐箱溢流时关11#阀,开9#阀至溶盐箱内食盐全部溶解。

 |