- 您当前的位置:南通申东冶金机械有限公司 >> 水处理设备 >> 纯水设备 >> 混合离子交换器
- 公司介绍
| 混合离子交换器 加入时间:2016-3-24 13:50:20 点击:次 |
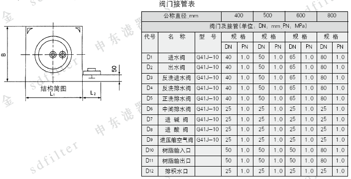
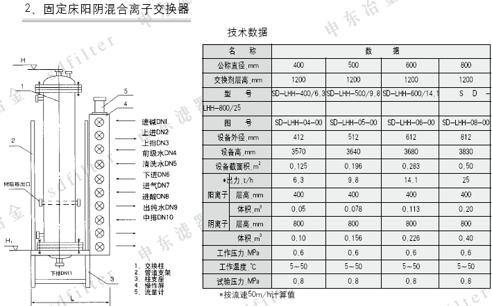
本公司生产的混合离子交换器分体内再生式、阴树脂移外再生式及树脂全移外再生式三个品种。其设备规范相同,接管方式不同。其中阴树脂移外再生式需配套阴树脂再生器,树脂全移外再生式需配套阳树脂再生器及阴树脂再生兼分离器。
|
| 上一页:无顶压逆流再生阴阳离子交换器 下一页:单室浮动床离子交换器 |


.png)
.png)
.png)
.png)

.png)
.png)


.png)
.png)
