前 言
目前,我国市场上供应的净水器种类很多,效果也较理想,但操作复杂,管理困难,维修不便,对用户的使用和维修都带来许多问题。为此,我厂生产的ZNJ一体化净化装置,具有操作简单、管理维修方便的优点,比其它净水器更符合我国国情和适合操作人员的管理水平。该净水器装置整套供应,不用土建,只要接上管道就可以开始工作。经中国城建供水协会在杭州对结构和该净水装置相类似的净水器进行测试,证明各项指标均达到100%。
该净水装置将水质净化的混凝、反应、澄清、过滤等工艺流程组合成一体,技术先进,设计新颖,结构紧凑,节约面积和投资,管理简单,操作方便,处理源水浊度500~1000P P m(短时间可达1500P P m),出水浊度小于3P P m,经加氯消毒,即可达国家饮用水标准。该净水器装置还可以用于澡堂、空调等等,有机物质含量不高的生活杂污水,处置后的水达到中水回用标准。
一、流程原理
ZNJ一体化净水装置和城市供水厂的净化流程一样。它有:混凝地、沉淀池、水质稳定装置、反冲洗装置、水泵及电气控制柜。现分别介绍如下:
1、混凝池:投加混凝剂的原水由进水管进入混凝池内,用特制的搅拌机搅动,使水中的悬浮物和混凝剂充分接触反应形成矾花。一般净水装置是采用涡流反应来使水和混凝剂混和,但效果受水量的变化而不稳定。ZNJ净水装置用搅拌机混和,不受水量变化影响效果。(也可改为用涡流反应器进行混凝反应)
2、水经加混凝剂混凝后形成矾花,流到设备的沉淀池内进行沉淀,沉淀池采用斜管沉淀法,表面负荷在6~7m3/m2·h。
3、过滤池:经沉淀后的水流到过滤池过滤,滤池结构:底部为布水管,中部为石英砂,上部为无烟煤。过滤速度为10m/h,最后清水流到清水池内消毒处理后饮用。过滤池反冲周期为12小时左右,反冲时间为5-10分钟。
本公司可为用户配套ZNJ一体化净水器的混凝剂投加装置、进水水泵、反冲洗水泵、电控柜等设备。


二、主要设计参数规格表

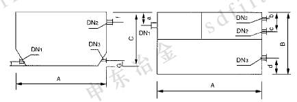
三、外形尺寸、管道、口径明细表

四、操作及注意事项
1.冰冻地区Z N J一体化净水装置宜装在室内,非冰冻地区可安装在室外,但必须加顶盖罩,以免污染水质。
2.安装时将Z N J一体化净水装置置于平整场地,以保证正常运转出水均匀。各种管道连结闸阀应无漏气渗水并予以排除。
3.设备运转前,必须消除池内杂物等,注意各进出水管严防堵塞现象。
4.污染严重的水源,含有机物或藻类较多时,可采用加氯方法,以降低色度,破坏水中胶体和除去臭味,防止池内繁殖藻类和青苔等。
5.设备启动前,半打开进水阀,之后启动水泵,应先采用较小水量常开流速,并加大混凝剂投加量(超过正常投加量的0.5-1倍)。60分钟后,再开大进水阀,增加到设计水量,降低投加混凝剂药量(正常投加量见附表一)。
6.设备初次反冲时,应调整反冲闸门到给定强度(以不冲出滤料为准),并控制反冲时间。
7.应定时打开污管阀门,将沉淀池内污泥排出体外。
8.水质测定项目:
(1)视当地条件定期由有关单位对原水及出水水质进行全面分析检查。
(2)水厂每日进行原水、澄清池出水及滤池出水浊度测定。
五、混凝剂AL2(SO4)3投加量参考表
 |