KGL重力式净水器是以地面水为水源,集反应、沉淀、过滤于一体的一元化净水设备,如再配以投矾、消毒即可成为一个具有全套功能的净水站(厂)。该设备采用折板反应、高效斜管沉淀、多层滤料过滤等先进工艺,设备工艺参数合理,结构紧凑,操作管理方便,出水负荷率高、净化效果好、设备性能动行稳定可靠,对江、河、 湖、库等源水均能适应。本系列产品广泛地适用于城镇、小区村镇、工矿企业、学校、车站、码头、建筑及野外作业、游览区、部队营区等生活用水和工业用水的净化处理。
一、性能及规格
1、设备性能
(1).设备表面负荷率:7.5-10.0m3/h·m2
(2).原水浊度:适合于500~1000度以内(如与超快速沉淀器配套,原水浊度可放宽到3000度)
(3).出水浊度:3~5度
(4).过滤滤速:V=10m/h
(5).冲洗强度:W=14L/m2·S
(6).冲洗历时:T=4.0~6.0min
(7).总停留时间:T总=40min
(8).水头损失:<1m
(9).进水压力:≥0.05MPa
(10).反洗压力:≥0.10MPa
2、规格及尺寸见表

二、设计及安装见下表及安装图一、二

三、净水器的水处理工艺流程和应用范围
1、工艺流程
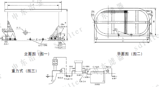
SD-KGL系列净水器为重力式净水器。其工艺流程见图三所示。
净水器投加矾及投氯可在泵前投加,如设有管式混合器则宜在管式混合器前利用水射器投加。
如采用紫外线或臭氧消毒,则消毒宜在净水器出水管进行。
2、净水器的应用范围
净水器使用范围有江河水(包括长江、黄河、珠江)、湖水、库水、塘水及需要深度处理的井水,也可适用于某些工业水处理。其浊度适于1000度以下,如与超速沉淀器配套,其源水浊度可放宽到3000度左右。
上述工艺流程的净水器可以除去颗粒杂质、悬浮胶体、藻类、微生物和细菌及病毒,还可以除嗅味和部分铁、锰,处理后水质清澈、透明,无色无味,达到国家规定的饮用水浊度指标。
四、净水器的安装、运转及操作维修和保养
1、安装
(1).净水器可安装在室内,也可安装在室外。当安装在室外时,在气温较低地区,其闸门等配件要采取防冻措施。
(2).净水器要求建造混凝土基础,基础要求水平,基础厚度可根据地基情况而定。
(3).净水器的管道与配件要按图和设备要求安装。
2、运转操作
(1).净水器内的滤料在净水器安装之后填装。填装滤料时,应严格按照滤料级配和其厚度操作。
(2).在滤料填装之前,应严格检查、清除净水器内的各种器具、杂物和垃圾。

|